Project Gallery

Explore the development of "The Resistance" through our subsystem galleries below. Use the arrows to navigate through the build photos.

Mechanical & Build

Full System View
Sketch of Our Initial Idea
Conveyor Belt
Prototype of Conveyor Belt
Paddle Mechanism
Resistor Measuring Module
Sprint 2 Resistor Sorter Iteration
Sprint 2 Iteration of Resistor Sorter
Side Profile
Laser Cutting!
Side Profile
3D Printing Conveyor Belt
Side Profile
CAD Assembly
Side Profile
CAD Assembly (Back)

Electrical Systems

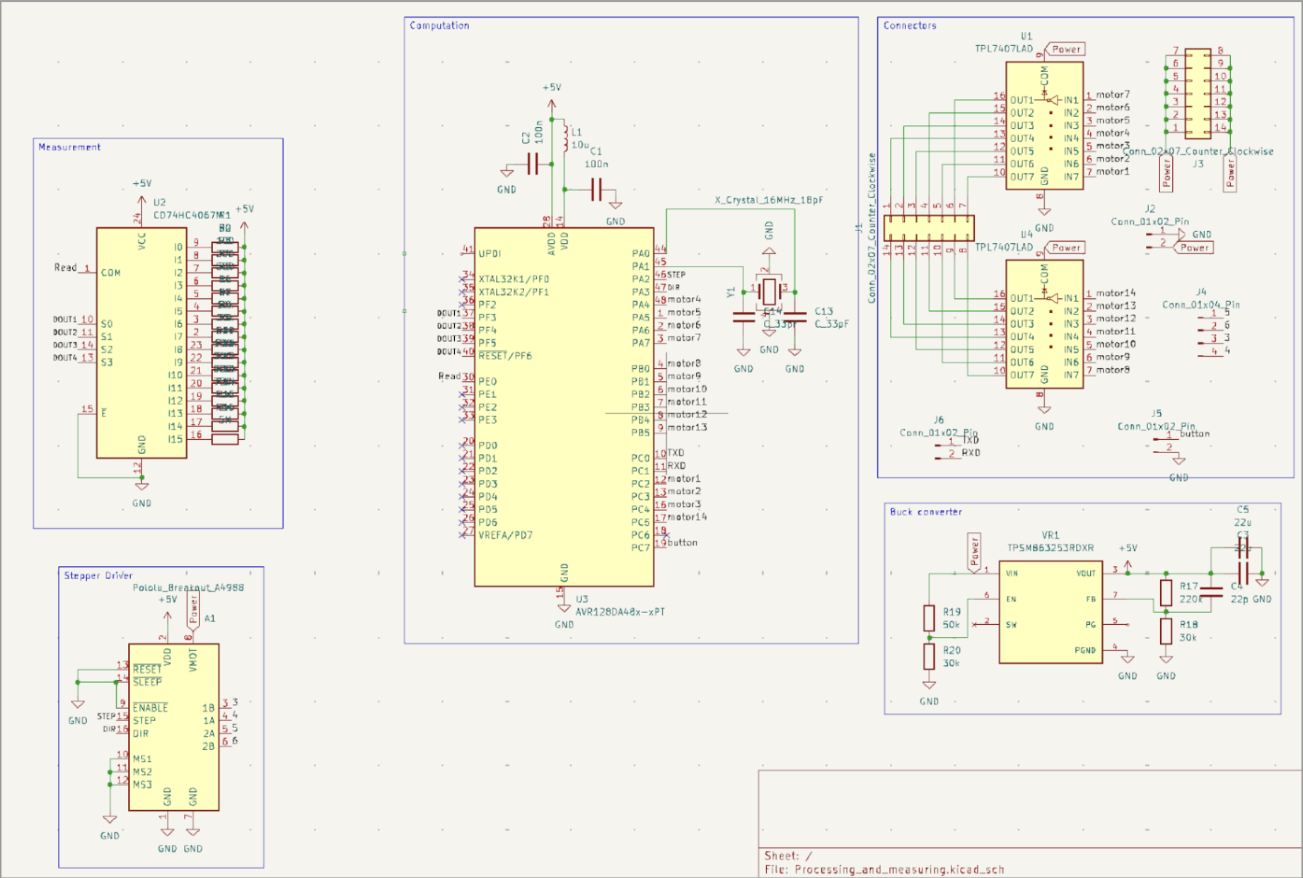
Schematic
Schematic
Testing Linear Actuators
Testing Linear Actuators
Mylar Stencil
Laser Cut Mylar Stencil
Side Profile
Prototype Electrical Subsystem
Bare PCB
Bare PCB
Assembled PCB
PCB Assembly in Progress

Software & UI

UI Dashboard
Main Dashboard
Numpad
Input Keypad
Full Interface
Full Interface View

Video Demos

Real-time Sorting Demo
Sorting Demo with UI

Downloads & Resources

Mechanical Resources